方案介绍
产品简介
车载充电机是专为新型锂电纯电动汽车、物流车等新能源车型研发的一款高功率密度高效率充电机,采用模块化、标准化、通用化的设计思路设计研发。模块为90-265VAC交流输入,直流输出电压全范围可调。
模块采用全数字化控制技术设计,控制灵活智能、保护特性好、系统鲁棒性强。自带微处理器与监控单元通信,机内参数可通过CAN接口由上级监控单元设定或由上级监控单元调节。
具有输入过欠压保护、输出过流保护、输出过压保护,输出短路保护、过温保护等多重保护功能。
主要规格:
型号 | 输入电压 | 输出功率 | 额定输出电压 | 输出电压电流范围 |
CRX1601 | 90~265VAC | 3.3KW | 540VDC | 0~720/0~6A |
CRX1602 | 90~265VAC | 3.3KW | 360VDC | 0~500/0~10A |
CRX1603 | 90~265VAC | 3.3KW | 144VDC | 0~190V/0~22A |
CRX1604 | 90~265VAC | 3.3KW | 108VDC | 0~140V/0~30A |
CRX1605 | 90~265VAC | 3.3KW | 72VDC | 0~95V/0~45A |
CRX1606 | 90~265VAC | 3.3KW | 48VDC | 0~68V/0~60A |
CRX1607 | 90~265VAC | 3.3KW | 32VDC | 0~42V/0~100A |
电气特性
型号 | ||||||||
车载电源类型 | 风冷车载充电机总成 | |||||||
电源型号 | CRX1601 | CRX1602 | CRX1603 | CRX1604 | CRX1605 | CRX1606 | CRX1607 | |
输入特性 | ||||||||
额定输入电压 | 220VAC | |||||||
输入电压范围 | 90~265VAC | |||||||
额定输入电压频率 | 50Hz | |||||||
输入频率范围 | 45~65Hz | |||||||
启动冲击电流 | ≤16A | |||||||
输入功率因数 | ≥0.99(@220Vin,Pomax) | |||||||
输出特性 | ||||||||
额定输出功率 | 3.3KW | |||||||
额定输出电压 | 540 | 360 | 144 | 108 | 72 | 48 | 32 | |
输出电压范围V | 0~720 | 0~500 | 0~190 | 0~140 | 0~95 | 0~68 | 0~42 | |
输出电流范围A | 0~6 | 0~10 | 0~22 | 0~30 | 0~45 | 0~60 | 0~100 | |
稳压精度 | ±1% | |||||||
稳流精度 | ±0.5A(Io≤10A)&≤±5%(Io>10A) | |||||||
电压纹波系数 | ≤1% | |||||||
输出响应时间 | ≤200mS | |||||||
典型效率 | ≥94% | 94% | ≥94% | ≥93% | ≥93% | ≥92% | ≥91% | |
工作噪声 | ≯60dB | |||||||
保护特性 | ||||||||
过欠压保护 | 输入过欠压关机可自恢复,输出过欠压关机可自恢复。 | |||||||
输出反接及短路保护 | 输出短路、反接时关机,可自恢复 | |||||||
过温保护 | 当散热片温度高于75℃时降低输出功率,当温度高于95℃时断开电路,待充电温度恢复至85℃以下时充电机恢复输出 | |||||||
环境条件 | ||||||||
工作环境温度 | -40℃~+65℃ | |||||||
存储温度 | -40~95℃ | |||||||
湿度 | 5%~95% | |||||||
IP等级 | IP67 | |||||||
冷却功能 | 强制风冷 | |||||||
通讯功能 | CAN总线控制 | |||||||
充电功能 | 接收充电指令能正常充电;无命令充电机处于待机状态 | |||||||
安规及可靠性 | ||||||||
介电强度 | 原边—副边2000VAC | 原边、副边—机壳1500VAC | ||||||
绝缘电阻 | 原边—副边 ≥50MΩ | |||||||
谐波电流 | 符合GB17625.1-2003中6.7.3.1的要求 | |||||||
耐振动性能 | 经X,Y,Z三个方向扫频震动试验,零部件无损伤,紧固件无松脱现象 | |||||||
耐冲击性能 | 参见GB/T15139-1994中6.5的要求 | |||||||
耐工业溶剂性能 | 金属零部件具有良好的防腐蚀层 | |||||||
防盐雾性能 | 参见GB/T 2423.17 | |||||||
耐久性 | 在不低于GB/T 24347-2009相关规定 | |||||||
EMC特性 | ||||||||
电磁抗扰性 | 符合GB/T 18487.3中11.3.1的要求 | |||||||
电磁骚扰性 | 符合GB/T 18487.3中11.3.2要求 | |||||||
系统框图
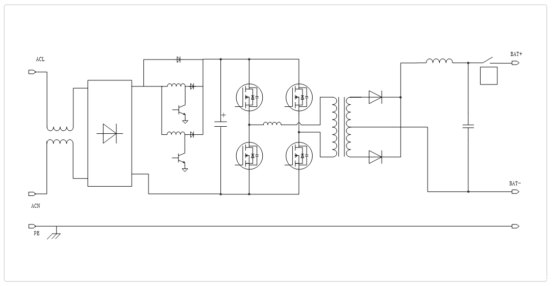
电气拓扑图

电气原理框图

特性曲线
CRX1601外特性曲线

CRX1602外特性曲线

CRX1603外特性曲线

CRX1604外特性曲线

CRX1605外特性曲线

CRX1606外特性曲线

CRX1607外特性曲线

电气连接框图











扫码添加微信